·产品概述·
离心欧陆娱乐是长沙欧陆娱乐厂有限责任公司与西安交通大学合作并吸收国内外先进技术开发而成,包括多级低速离心欧陆娱乐、单级低速离心欧陆娱乐和单级高速离心欧陆娱乐等产品,共3个基本系列、上百种派生机型。流量50~2000m3/min,升压10~150kPa。
● A系列单级低速离心欧陆娱乐 流量200~2000m3/min,升压≤34.3kPa。A系列中包含AI单级悬臂结构和AII单级双支撑结构适用于空气、煤气、二氧化硫等介质的输送。
派生机型
由上述基本系列产品,可以派生出下列多种用途离心欧陆娱乐:
●污水处理欧陆娱乐流量50~600m3/min升压49.0~98kPa
●脱硫氧化欧陆娱乐流量60~800m3/min升压49.0~150kPa
●二氧化硫欧陆娱乐流量200~2000m3/min升压26.4~53.9kPa
●造气炉欧陆娱乐流量300~1500m3/min升压23.5~34.3kPa
●化铁炉欧陆娱乐流量50~350m3/min升压9.8~29.4kPa
●冶炼高炉欧陆娱乐流量100~1000m3/min升压49.0~150kPa
●煤气欧陆娱乐流量100~1250m3/min升压19.6~53.9kPa
●浮选、洗煤欧陆娱乐流量50~500m3/min升压19.6~68.6kPa
·产品选型· 型号说明
例如: C300–1.7/1.0 表示在温度20℃,进口压力1.0kgf/cm2(98kPa)相对湿度50%的进气条件下,进口流量为300 m3/min,出口压力1.7kgf/cm2(升压68.6kPa)的多级离心欧陆娱乐。
系列型谱图
由图表所示流量和压力可初步确定离心欧陆娱乐的性能范围,然后综合其他技术条件和要求,由专业技术人员具体选型。
选型要素
● 技术条件 输送介质、进气状况、流量、升压(或排气压力),环境条件等。
● 选型计算 当介质为空气、进气状况及环境条件与规定吸入状态相符,则可根据流量、升压或排气压力在本样本中进行直接选取。 若介质、进气状况及环境条件与规定吸入状态不符(如温度或密度差异较大)应对选型参数进行核算和修正
(1) 环境温度 欧陆娱乐设计温度为20℃。对曝气欧陆娱乐,进气温度每升高1℃,排气压力下降0.002kgf/cm2.夏季温度为40℃时,排气压力大约下降0.04kgf/cm2。
(2) 海拔高度 欧陆娱乐进气压力(设计值)为1.0kgf/cm2。当海拔高度较大时,应根据当地大气压对欧陆娱乐进气流量和排气压力进行修正,以保证其正常运行。
(3) 标准流量与进气流量换算 如欧陆娱乐在标准状态(0℃,1.033kgf/cm2)下的流量为QN,其实际进气状态(ts,Ps)下的流量为: Qs=( ts+273)/273×1.033/ Ps×QN ts: 进气温度,℃ Ps: 进气压力,kgf/cm2
(4) 常用压力单位的换算 9.8kPa=0.1 kgf/cm2=1000mmH2O=98mbar=0.0967atm=73.5mmHg
产品介绍·
A系列单级低速离心欧陆娱乐
● 单级低速离心欧陆娱乐特点
◎ 先进的空气动力学设计,叶轮工作效率高。
◎ 机壳采用水平剖分焊接结构,结构简单,重量轻。
◎ 对于含尘量高的介质,采用先进的耐磨、防粘附技术,使用寿命长。
◎ 性能曲线平坦,稳定工况范围比较宽。
◎ 中小流量采用AI型单级、悬臂结构
◎ 大流量采用AII型单级、双支撑结构
● 单级离心欧陆娱乐典型数据表
产品型号 | 输送介质 | 进口工况 | 升压(kPa) | 轴功率(kW) | 电机功率(kW) | ||
流量(m3/min) | 压力(kgf/cm2) | 温度(℃) | |||||
AI200-1.20/1.0 | 空气 | 200 | 1.0 | 20 | 19.6 | 95.0 | 125 |
AI250-1.30/1.0 | 空气 | 250 | 1.0 | 20 | 29.4 | 168 | 220 |
AI250-1.35/1.0 | 空气 | 250 | 1.0 | 20 | 34.3 | 196 | 250 |
AI250-1.27/1.0 | 煤气 | 250 | 1.0 | 30 | 26.5 | 185 | 220 |
AI250-1.26/0.95 | 含SO2空气 | 250 | 0.95 | 40 | 30 | 173 | 220 |
AI300-1.25/1.0 | 空气 | 300 | 1.0 | 20 | 24.5 | 160 | 185 |
AI300-1.35/1.0 | 空气 | 300 | 1.0 | 20 | 34.3 | 230 | 280 |
AI300-1.13/1.05 | 焦炉煤气 | 300 | 1.05 | 35 | 7.84 | 65.0 | 90 |
AI300-1.24/0.95 | 含SO2空气 | 300 | 0.95 | 40 | 28.4 | 195 | 250 |
AI350-1.12/0.95 | 煤气 | 350 | 0.95 | 40 | 16.7 | 92 | 110 |
AI350-1.24/0.95 | 含SO2空气 | 350 | 0.95 | 40 | 28.4 | 195 | 250 |
AI400-1.35/1.0 | 空气 | 400 | 1.0 | 20 | 34.3 | 315 | 355 |
AI400-1.24/0.95 | 含SO2空气 | 400 | 0.95 | 40 | 28.4 | 261 | 315 |
AI500-1.30/1.0 | 空气 | 500 | 1.0 | 20 | 29.4 | 336 | 400 |
AI500-1.24/1.0 | 煤气 | 500 | 1.0 | 30 | 23.5 | 241 | 280 |
AI500-1.22/0.95 | 含SO2空气 | 500 | 0.95 | 40 | 26.5 | 296 | 355 |
AI600-1.2/1.0 | 空气 | 600 | 1.0 | 20 | 19.6 | 265 | 315 |
AI750-1.24/1.0 | 空气 | 750 | 1.0 | 20 | 23.5 | 340 | 400 |
AI800-1.3/1.0 | 空气 | 800 | 1.0 | 20 | 29.4 | 515 | 630 |
AI800-1.19/1.03 | 煤气 | 800 | 1.03 | 35 | 15.7 | 305 | 355 |
AI900-1.04/0.842 | 煤气 | 900 | 0.842 | 65 | 19.6 | 410 | 450 |
AII1000-1.17/1.05 | 煤气 | 1000 | 1.03 | 35 | 12 | 265 | 315 |
AII1200-1.28/1.0 | 空气 | 1200 | 1.0 | 20 | 27.4 | 690 | 800 |
AII1400-1.2/1.0 | 空气 | 1400 | 1.0 | 20 | 19.6 | 579 | 710 |
AII1500-1.0/0.73 | 煤气 | 1500 | 0.73 | 50 | 26.5 | 805 | 900 |
AII1600-1.0/0.73 | 煤气 | 1600 | 0.73 | 50 | 26.5 | 860 | 1000 |
AII1800-1.0/0.73 | 煤气 | 1800 | 0.73 | 50 | 26.5 | 960 | 1120 |
AII2000-1.0/0.73 | 煤气 | 2000 | 0.73 | 50 | 26.5 | 1070 | 1250 |
AII2000-1.35/1.0 | 空气 | 2000 | 1.0 | 20 | 34.3 | 1370 | 1600 |
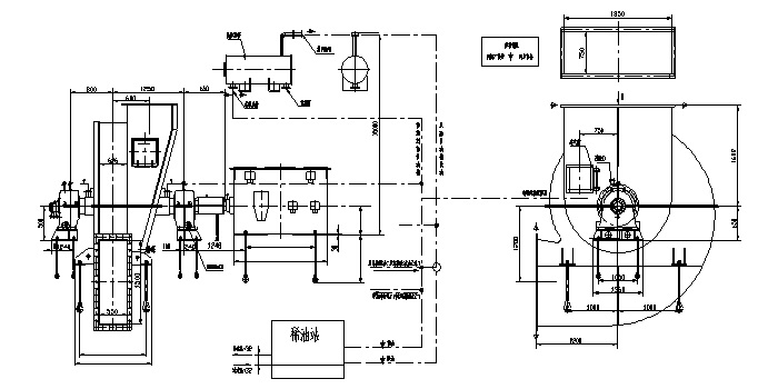
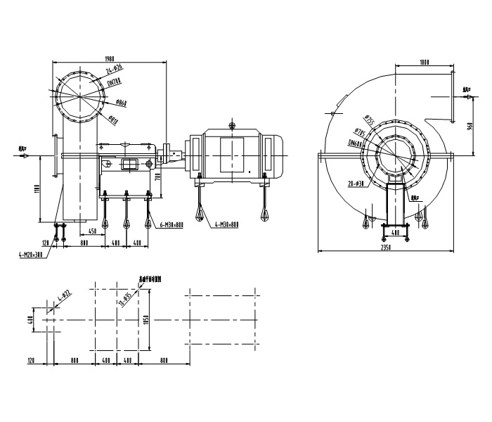
● 单级低速离心欧陆娱乐外形尺寸 AI600-800单级低速离心欧陆娱乐安装示意图 (仅供参考,施工以合同设计图为准)
AII1500-2000单级低速离心欧陆娱乐安装示意图 (仅供参考,施工以合同设计图为准)
● 单级低速离心欧陆娱乐供货范围
序号 | 标准供货 | 选配供货 | ||
内容 | 数量 | 内容 | 数量 | |
1 | 欧陆娱乐本体 | 1台 | 进口调节阀 | 1件 |
2 | 润滑装置 | 1套 | 出口阀 | 1件 |
3 | 电动机 | 1台 | 进口软接头 | 1件 |
4 | 联轴器 | 1套 | 出口软接头 | 1件 |
5 | 联轴器防护罩 | 1件 | 一次仪表 | 1套 |
6 | 地脚螺栓、螺母、垫片 | 1套 | 就地控制柜 | 1台 |
* 表中润滑装置,滚动轴承风机含主机中,滑动轴承风机配稀油站。